Na rynek wprowadzona została nowa seria silników o wielkości mechanicznej 200, oznaczona symbolem 3SIE200-N. To nowoczesne rozwiązanie opracowane z myślą o zwiększeniu uniwersalności i uproszczeniu konstrukcji przy jednoczesnym zachowaniu dotychczasowej wydajności oraz niezawodności.
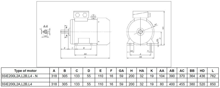
Nowa seria 3SIE200-N została zoptymalizowana pod kątem długości i masy, dzięki czemu oferuje bardziej kompaktowe wymiary w porównaniu z dotychczasową serią 3SIE200. Jednocześnie zachowano wszystkie kluczowe parametry mechaniczne i elektryczne, co pozwala na łatwe zastąpienie starszych modeli nowymi.
Istotną zmianą jest zunifikowana średnica zewnętrzna blach stojana – 300 mm, stosowana obecnie zarówno w silnikach o wielkości mechanicznej 3SIE180-N, jak i 3SIE200-N. Dla porównania, w dotychczasowej wersji 3SIE200 stosuje się blachy o średnicy 327 mm, wykorzystywane od kilkudziesięciu lat.
Silniki nowej serii wyposażono w łożyska zamknięte bez konieczności dosmarowania (2Z lub 2RS), co znacząco ogranicza potrzebę serwisowania. Na życzenie dostępne są również wersje z łożyskami otwartymi. Z kolei kadłub silnika ma charakter uniwersalny, co pozwala na jego zastosowanie również w modelach o mniejszej wielkości mechanicznej – 180-N.
Kolejną zaletą jest unifikacja komponentów po stronie przeciwnapędowej, obejmująca osłonę przewietrznika, sam przewietrznik oraz tarczę ND, co dodatkowo ułatwia produkcję, serwis i logistykę części zamiennych.
Nowe silniki 3SIE200-N oferują możliwość obracania łap po zakończeniu etapu produkcji, co pozwala użytkownikowi na dopasowanie konstrukcji do własnych potrzeb montażowych. W dotychczasowych modelach taka modyfikacja jest możliwa wyłącznie na etapie produkcji. Dodatkowo przewidziano możliwość przeróbki silnika do wielkości mechanicznej 180, poprzez wymianę łap, tarczy napędowej i wirnika/wałka.



Podsumowując, nowa seria silników 3SIE200-N to rozwiązanie łączące sprawdzoną wydajność z nowoczesnym podejściem do konstrukcji. Zoptymalizowana budowa, unifikacja komponentów i większa elastyczność w adaptacji czynią z niej atrakcyjną propozycję dla użytkowników.